
| 參數表 | ||
| A 軸額定 / 最大扭矩 | 2100/3630Nm | |
| A 軸額定功率 | 6.6kW | |
| A 軸最高轉速 | 50rpm | |
| A 軸抱緊扭矩 | 4000(60bar)Nm | |
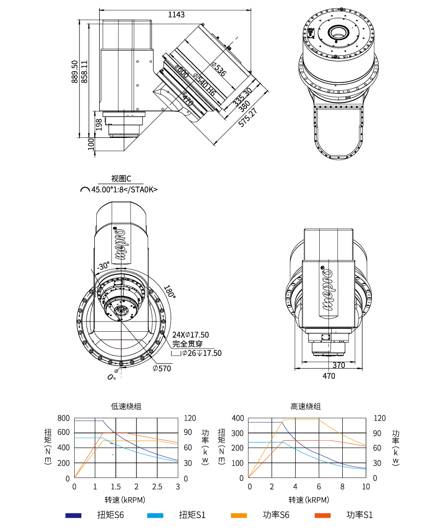
| A 軸轉角范圍 | -30°~+180° | |
| A 軸編碼器類型 | 絕對式 | |
| A 軸定位精度 | 8"VDI3441 | |
| A 軸重復定位精度 | 4"VDI3441 | |
| 主軸參數 | 低速繞組 | 高速繞組 |
| 主軸S1扭矩 | 551Nm | 65Nm |
| 主軸S6扭矩 | 771.4Nm | 363.7Nm |
| 主軸額定轉速 | 1300rpm | 3000rpm |
| 主軸最高轉速 | 3000rpm | 8000rpm |
| 主軸額定功率 | 75kW | |
| 刀柄 | HSK-A100 | |
| 軸承潤滑方式 | 油脂潤滑 | |
| 中心出水 | 0.7-4Mpa | |
| 總重量 | 1280kg | |


