
| 參數表 | ||
| 類型 | Fanuc | Siemens |
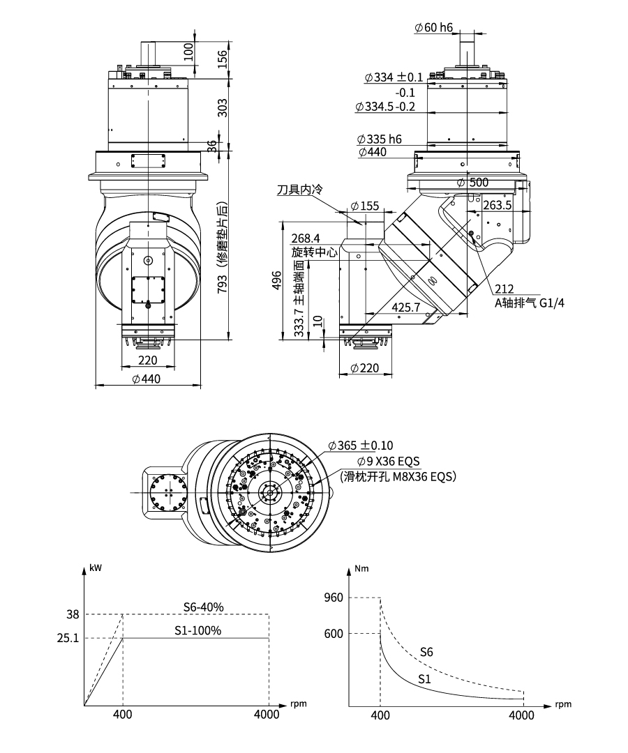
| A 軸額定 / 最大扭矩 | 270/600Nm | |
| A 軸額定功率 | 3.9kW | |
| A 軸最高轉速 | 30rpm | |
| A 軸額定電流 | 22.5A | |
| A 軸抱緊扭矩 | 4000(60bar)Nm | |
| A 軸轉角范圍 | ±180° | |
| A 軸編碼器類型 | 絕對式 | |
| A 軸定位精度 | 8"VDI3441 | |
| A 軸重復定位精度 | 4"VDI3441 | |
| C 軸額定 / 最大扭矩 | 270/600Nm | |
| C 軸額定功率 | 3.9kW | |
| C 軸最大轉速 | 30rpm | |
| C 軸額定電流 | 22.5A | |
| C 軸抱緊扭矩 | 4000(60bar)Nm | |
| C 軸轉角范圍 | ±180° | |
| C 軸編碼器類型 | 絕對式 | |
| C 軸定位精度 | 8"VDI3441 | |
| C 軸重復定位精度 | 4"VDI3441 | |
| 主軸參數 | ||
| 主軸 S1 扭矩 | 600Nm | |
| 主軸最高轉速 | 4000rpm | |
| 主軸額定功率 | 25.1kW | |
| 刀柄 | BT50(45°) | |
| 軸承潤滑方式 | 油脂潤滑 | |
| 中心出水 | 0.7-4Mpa | |
| 總重量 | 800kg | |


